단일 행 스프로킷 드라이브 롤러
Cat:스프로킷 드라이브 롤러
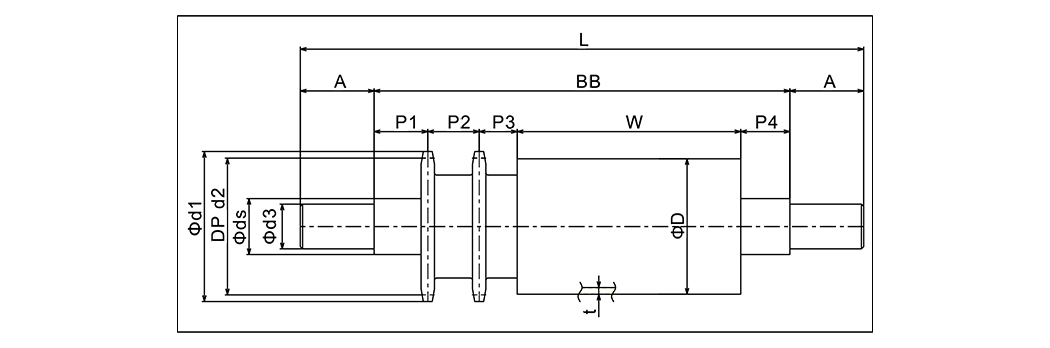
유형 롤러 크기 롤러 너비 롤러 재료 베어링 샤프트 직경 ...
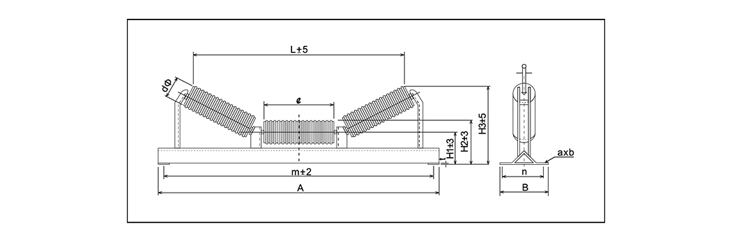
구동 롤러는 전원 롤러 컨베이어에 사용되는 유휴 롤러 유형이며, 일반적으로 스프로킷, 멀티 웨스트 풀리, 타이밍 풀리, V- 벨트 풀리 또는 O 그루브 롤러와 같은 구동 휠이 장착 된 유형입니다. 스프로킷이 장착 된 구동 롤러는 높은 하중 용량을 제공하며, 스프로킷은 일반적으로 강철로 만들어지고 부하 요구 사항에 따라 다양한 사양으로 제공됩니다. 다수의 풀리, 타이밍 풀리 및 V- 벨트 풀리가있는 구동 롤러는 벨트 구동 시스템을 위해 설계되었으며 가벼운 하중 용량을 갖습니다. O- 구조 롤러는 벨트 구동 롤러보다 하중 용량이 낮은 라이트 듀티 롤러 컨베이어에도 사용됩니다 .

유형 롤러 크기 롤러 너비 롤러 재료 베어링 샤프트 직경 ...
| 유형 | 롤러 크기 | 롤러 너비 | 롤러 재료 | 베어링 | 샤프트 직경 | 라이너 크기 | 스프로켓 | 디 | D2 | 에이 | 비 | w1 | BB |
| KR-384010 | 38.1 × 2.3 | 100 ~ 800 | stkm | 6001ZZ · 6201Z | 12.0 | 18 × 12.2 × 26 | #40 × 10ts | 46 | 41.1 | 12 | 14 | w-1 | w 28 |
| KR-424010 | 42.7 × 2.3 | 100 ~ 800 | stkm | 6001ZZ · 6201Z | 12.0 | 18x12.2 × 26 | #40 × 10ts | 46 | 41.1 | 12 | 14 | w | w 28 |
| KR-484010 | 48.6 × 3.5 | 100 ~ 800 | SGP40A | 6001ZZ · 6201Z | 12.0 | 18 × 12.2 × 26 | #40 × 10ts | 46 | 41.1 | 12 | 11 | w 5 | W 28 |
| KR-504010 | 50.8 × 1.6 | 100 ~ 800 | stkm | 6001ZZ · 6201Z | 12.0 | 18 × 12.2 × 26 | #40 × 10ts | 46 | 41.1 | 12 | 13 | W-1 | W 28 |
| KR-574010 | 57.1 × 2.1 | 100 ~ 1000 | stkm | 6001ZZ · 6201Z | 12.0 | 18 × 12.2 × 26 | #40 × 10ts | 46 | 41.1 | 12 | 13 | W | W 28 |
| KR-604010 | 60.5 × 2.3 | 100 ~ 1000 | stkm | 6001ZZ · 6201Z | 12.0 | 18 × 12.2 × 26 | #40 × 10ts | 46 | 41.1 | 12 | 13 | W | W 28 |
| KR-605011S | 60.5 × 3. | 100 ~ 1000 | sgp50a | 6002ZZ | 15.0 | 21 × 15.2 × 41.5 · 21 × 15.2 × 12 | #50 × 11ts | 63 | 56.35 | 20 | 18 | W 3 | W 48 |
| KR-765011 | 76.3 × 4.2 | 100 ~ 1000 | sgp65a | 6002ZZ | 15.0 | 21 × 15.2 × 41.5 · 21 × 152 × 12 | #50 × 11ts | 63 | 56.35 | 20 | 18 | W 2 | W 48 |
| KR-605013S | 60.5 × 3.8 | 100 ~ 1000 | sgp50a | 6004zz | 20.0 | 29 × 20.2 × 38.5 · 29 × 20.2 × 15 | #50 × 13ts | 73 | 66.34 | 20 | 18 | W 1 | W 48 |
| KR-765013S | 76.3 × 4.2 | 100 ~ 1000 | sgp65a | 6004zz | 20.0 | 29x20.2x38.5 · 29 × 20.2 × 15 | #50 × 13ts | 73 | 66.34 | 20 | 18 | W 2 | W 48 |
| KR-895013S | 89.1 × 4.2 | 100 ~ 1000 | SGP80A | 6004zz | 20.0 | 29 × 20.2x38.5 · 29 × 202x15 | #50 × 13ts | 73 | 66.34 | 20 | 18 | W | W 48 |
| KR-1146014S | 114.3 × 4.5 | 300 ~ 2000 | SGP100A | 6205zz | 25.0 | 35 × 26 × 19 · 35 × 26 × 21 | #60 × 14ts | 93 | 85.61 | 20 | 23 | W | W 58 |
| KR-1406016S | 139.8 × 4.5 | 300 ~ 2000 | SGP125A | 6206zz | 30.0 | 38 × 31.1 × 19 · 38 × 31.1 × 21 | #60 × 16ts | 107 | 97.65 | 20 | 23 | W | W 58 |

유형 롤러 크기 롤러 너비 롤러 재료 베어링 샤프트 직경 ...
| 유형 | 롤러 크기 | 롤러 너비 | 롤러 재료 | 베어링 | 샤프트 직경 | 라이너 크기 | 스프로켓 | D1 | D2 | 에이 | 비 | 기음 | w1 | BB |
| KR-384010Sw | 38.1 × 2.3 | 100 ~ 800 | stkm | 6001ZZ · 6201Z | 12.0 | 18 × 12.2 × 53 | #40 × 10TSw | 46 | 41.1 | 12 | 23 | 18 | w-1 | W 58 |
| KR-424010SW | 42.7 × 2.3 | 100 ~ 800 | stkm | 6001ZZ · 6201Z | 12.0 | 18 × 12.2 × 53 | #40 × 10TSW | 46 | 41.1 | 12 | 23 | 18 | W | W 58 |
| KR-484010SW | 48.6 × 3.5 | 100 ~ 800 | SGP40A | 6001ZZ · 6201Z | 12.0 | 18 × 12.2 × 53 | #40 × 10TSW | 46 | 41.1 | 12 | 23 | 15 | W 5 | W 58 |
| KR-504010SW | 50.8 × 1.6 | 100 ~ 800 | stkm | 6001ZZ · 6201Z | 12.0 | 18 × 12.2 × 53 | #40x10tsw | 46 | 41.1 | 12 | 23 | 18 | W-1 | W 58 |
| KR-574010SW | 57.1 × 2.1 | 100 ~ 1000 | stkm | 6001ZZ · 6201Z | 12.0 | 18 × 12.2 × 53 | #40 × 10TSW | 46 | 41.1 | 12 | 23 | 18 | W | W 58 |
| KR-604010SW | 60.5 × 2.3 | 100 ~ 1000 | stkm | 6001ZZ · 6201Z | 12.0 | 18 × 12.2 × 53 | #40 × 10TSW | 46 | 41.1 | 12 | 23 | 18 | W | W 58 |
| KR-605011SW | 60.5 × 3.8 | 100 ~ 1000 | sgp50a | 6002ZZ | 15.0 | 21x15.2 × 66.5 · 21 × 15.2x12 | #50 × 11tsw | 63 | 56.35 | 20 | 25 | 18 | W 3 | W 7 |
| KR-765011SW | 76.3 × 4.2 | 100 ~ 1000 | sgp65a | 6002ZZ | 15.0 | 21 × 15.2 × 66.5 · 21 × 15.2 × 12 | #50 × 11tsw | 63 | 56.35 | 20 | 25 | 18 | W 2 | W 73 |
| KR-605013SW | 60.5 × 3.8 | 100 ~ 1000 | sgp50a | 6004zz | 20.0 | 29 × 20.2 × 63.5 · 29 × 20.2 × 15 | #50 × 13tsw | 73 | 66.34 | 20 | 25 | 18 | W 1 | W 73 |
| KR-765013SW | 76.3 × 4.2 | 100 ~ 1000 | sgp65a | 600422 | 20.0 | 29 × 20.2 × 63.5 · 29 × 20.2x15 | #50 × 13tsw | 73 | 66.34 | 20 | 25 | 18 | W 2 | W 73 |
| KR-895013SW | 89.1 × 4.2 | 100 ~ 1000 | SGP80A | 6004zz | 20.0 | 29 × 20.2 × 63.5 · 29 × 20.2 × 15 | #50 × 13tsw | 73 | 66.34 | 20 | 25 | 18 | W | W 73 |

유형 롤러 크기 롤러 볼러 롤러 마테날 곰 샤프트 직경 ...
| 유형 | 롤러 크기 | 롤러 볼러 | 롤러 마테날 | 곰 | 샤프트 직경 | 스프로켓 | D1 | D2 | D3 | 에이 | 엘 | BB | P1 | P2 | P3 | P4 |
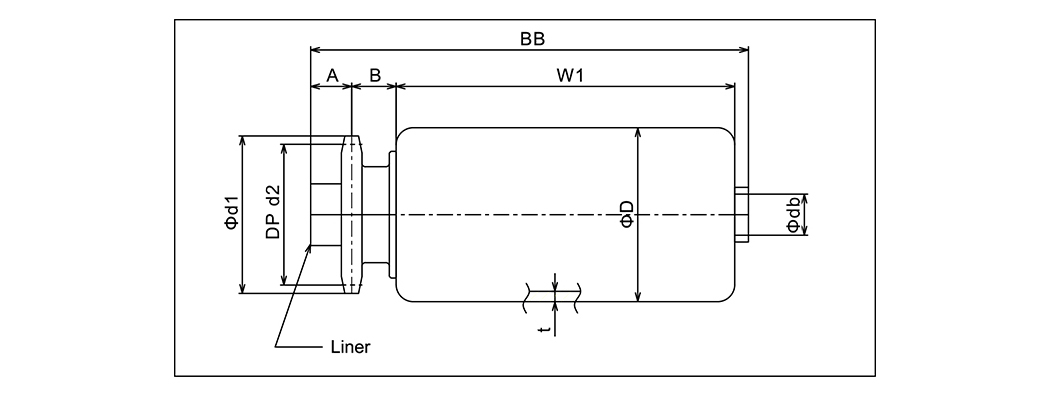
| KPR-574015SW | 57.2 × 2.6 | 300 ~ 2000 | stkm | UCPA204 | 25xw 152 | #40 × 15tsw | 67 | 61.08 | 20 | 33 | W 152 | W 86 | 24 | 23 | 17 | 22 |
| KPR-604015SW | 60.5 × 3.8 | 300 ~ 2000 | stkm | UCPA204 | 25xW 152 | #40 × 15tsw | 67 | 61.08 | 20 | 33 | W 152 | W 86 | 24 | 23 | 17 | 22 |
| KPR-765013SW | 76.3 × 4.2 | 300 ~ 2000 | sgp65a | UCPA204 | 25xW 163 | #50 × 13tsw | 73 | 66.34 | 20 | 33 | W 163 | W 97 | 32 | 25 | 18 | 22 |
| KPR-895013SW | 89.1 × 4.2 | 300 ~ 2000 | SGP80A | UCPA206 | 35XW 169 | #50 × 13tsw | 73 | 66.34 | 30 | 39 | W 169 | W 91 | 29 | 25 | 18 | 19 |
| KPR-1015018SW | 101.6 × 4.5 | 300 ~ 2000 | sgp90a | UCPA206 | 35XW 169 | #50 × 18tsw | 98 | 91.42 | 30 | 39 | W 169 | W 91 | 29 | 25 | 18 | 19 |
| KPR-1145018SW | 114.3 × 4.5 | 300 ~ 2000 | SGP100A | UCPA206 | 35XW 169 | #50 × 18tsw | 98 | 91.42 | 30 | 39 | W 169 | W 91 | 29 | 25 | 18 | 19 |
| KPR-1405018SW | 139.8 × 4.5 | 300 ~ 2000 | SGP125A | UCPA206 | 35XW 169 | #50 × 18tsw | 98 | 91.42 | 30 | 39 | W 169 | W 91 | 29 | 25 | 18 | 19 |

유형 롤러 크기 롤러 너비 롤러 재료 베어링 샤프트 직경 ...
| 유형 | 롤러 크기 | 롤러 너비 | 롤러 재료 | 베어링 | 샤프트 직경 | 라이너 크기 | 스프로켓 | |||||
| MAC-CN384010 | 38.1 × 2.3 | 100 ~ 800 | stkm | 6001ZZ · 6201Z | 12.0 | 18 × 12.2 × 17 | #40 × 10ts | |||||
| MAC-CN424010 | 42.7 × 2.3 | 100 ~ 1000 | stkm | 6001ZZ · 6201Z | 12.0 | 18x12.2 × 17 | #40 × 10ts | |||||
| MAC-CN484010 | 48.6 × 3.5 | 100 ~ 1000 | SGP40A | 60012Z · 6201Z | 12.0 | 18 × 12.2 × 17 | #40 × 10ts | |||||
| MAC-CN504010 | 50.8 × 1.6 | 100 ~ 1000 | stkm | 6001ZZ · 6201Z | 12.0 | 18 × 12.2 × 17 | #40 × 10ts | |||||
| MAC-CN574010 | 57.1 × 2.1 | 100 ~ 1000 | stkm | 6001ZZ · 6201Z | 12.0 | 18 × 12.2 × 17 | #40 × 10ts | |||||
| MAC-CN604010 | 60.5 × 2.3 | 100 ~ 1000 | stkm | 6001ZZ · 6201Z | 12.0 | 18 × 12.2 × 17 | #40 × 10ts | |||||
| 유형 | 롤러 크기 | 롤러 너비 | 롤러 재료 | 베어링 | 샤프트 직경 | 스프로켓 | ||||||
| MAC-CS384010 | 38.1 × 2.3 | 100 ~ 800 | stkm | 6001ZZ · 6201Z | 12.0 | #40 × 10ts | ||||||
| MAC-CS424010 | 42.7 × 2.3 | 100 ~ 1000 | stkm | 6001ZZ · 6201Z | 12.0 | #40 × 10ts | ||||||
| MAC-CS484010 | 48.6 × 3.5 | 100 ~ 1000 | SGP40A | 6001ZZ · 6201Z | 12.0 | #40 × 10ts | ||||||
| MAC-CS504010 | 50.8 × 1.6 | 100 ~ 1000 | stkm | 6001ZZ · 6201Z | 12.0 | #40 × 10ts | ||||||
| MAC-CS574010 | 57.1 × 2.1 | 100 ~ 1000 | stkm | 6001ZZ · 6201Z | 12.0 | #40 × 10ts | ||||||
| MAC-CS604010 | 60.5 × 2.3 | 100 ~ 1000 | stkm | 6001ZZ · 6201Z | 12.0 | #40 × 10TS | ||||||

유형 롤러 크기 롤러 너비 롤러 재료 베어링 샤프트 직경 ...
| 유형 | 롤러 크기 | 롤러 너비 | 롤러 재료 | 베어링 | 샤프트 직경 | 라이너 크기 | 스프로켓 |
| MAC-CN384010SW | 38.1 × 2.3 | 100 ~ 800 | stkm | 6001Z · 6201Z | 12.0 | 18 × 12.2 × 17 | #40 × 10ts |
| MAC-CN424010SW | 42.7 × 2.3 | 100 ~ 1000 | stkm | 6001ZZ · 6201Z | 12.0 | 18 × 12.2 × 17 | #40 × 10ts |
| MAC-CN484010SW | 48.6 × 3.5 | 100 ~ 1000 | SGP40A | 6001ZZ · 6201Z | 12.0 | 18 × 12.2 × 17 | #40 × 10ts |
| MAC-CN504010SW | 50.8 × 1.6 | 100 ~ 1000 | stkm | 6001Z · 6201Z | 12.0 | 18 × 12.2 × 17 | #40 × 10ts |
| MAC-CN574010SW | 57.1 × 2.1 | 100 ~ 1000 | stkm | 6001ZZ · 6201Z | 12.0 | 18 × 12.2 × 17 | #40 × 10ts |
| MAC-CN604010SW | 60.5 × 2.3 | 100 ~ 1000 | stkm | 6001ZZ · 6201Z | 12.0 | 18 × 12.2 × 17 | #40 × 10TS |

유형 롤러 크기 롤러 너비 롤러 재료 베어링 샤프트 직경 ...
| 유형 | 롤러 크기 | 롤러 너비 | 롤러 재료 | 베어링 | 샤프트 직경 | 라이너 크기 | 스프로켓 | D1 | D2 |
| MAC-CN605010W | 60.5 × 2.3 | 100 ~ 1000 | stkm | 6002Z7 · 61902Z | 15.0 | 20 × 15.2 × 16 | #50 × 10ts | 57.43 | 51.37 |
| MAC-CN765013SW | 76.3 × 2.0 | 100 ~ 1000 | stkm | 6204ZZ · 61904Z | 20.0 | 25 × 20.2 × 22 | #50 × 13ts | 73 | 66.34 |

R 센터 1000 총 길이 롤러 너비 넓은 컨베이어 ...
| R 센터 | 1000 | 총 길이 | 롤러 너비 | 넓은 컨베이어 | 좁은 길 | 큰 직경 | 롤러 로딩 | 롤러의 무게 | |||
| 스프로켓 | #40 × 10TSW | (∅) | 두께 | (∅) | 두께 | ||||||
| W 롤러 너비 | 200 ~ 600 | 258 | 200 | 260 | 51.5 | 3.0 | 62.5 | 2.6 | 1842 | 1236 | |
| 롤러 재료 | stkm | 358 | 300 | 360 | 48.8 | 3.0 | 65.2 | 2.6 | 1215 | 1643 | |
| 콩 | 6001ZZ · 6201Z | 458 | 400 | 460 | 46.0 | 3.1 | 68.0 | 2.6 | 911 | 2050 | |
| DB 샤프트 직경 | 12.0 | 558 | 500 | 560 | 43.3 | 3.2 | 70.7 | 2.4 | 725 | 2456 | |
| DC × DC × LC/라이너 크기 | 18 × 12.2 × 53 · 18 × 12.2 × 7 | 658 | 600 | 660 | 41.3 | 3.3 | 74.0 | 2.3 | 597 | 2863 | |
| R 센터 | 1200 | 총 길이 | 롤러 너비 | 넓은 컨베이어 | 좁은 길 | 큰 직경 | 롤러 로딩 | 롤러의 무게 | |||
| 스프로켓 | #40 × 10TSW | (∅) | 두께 | (∅) | 두께 | ||||||
| W 롤러 너비 | 200 ~ 600 | 258 | 200 | 260 | 52.1 | 2.9 | 61.9 | 2.5 | 1842 | 1.132 | |
| 롤러 재료 | stkm | 358 | 300 | 360 | 49.7 | 3.0 | 64.3 | 2.4 | 1215 | 1487 | |
| 콩 | 6001ZZ · 6201Z | 458 | 400 | 460 | 47.3 | 3.1 | 65.7 | 2.4 | 911 | 1842 | |
| DB 샤프트 직경 | 12.0 | 558 | 500 | 560 | 45.0 | 3.2 | 69.2 | 2.8 | 725 | 2197 | |
| DC × DC × LC/라이너 크기 | 18 × 12.2 × 53 · 18 × 12.2 × 7 | 658 | 600 | 660 | 45.0 | 3.2 | 74.0 | 2 | 597 | 2552 | |
| R 센터 | 1500 | 총 길이 | 롤러 너비 | 넓은 컨베이어 | 좁은 길 | 큰 직경 | 롤러 로딩 | 롤러의 무게 | |||
| 스프로켓 | #40 × 10TSW | (∅) | 두께 | (∅) | 두께 | ||||||
| W 롤러 너비 | 200 ~ 600 | 258 | 200 | 260 | 52.6 | 2.7 | 61.4 | 2.8 | 1842 | 1233 | |
| 롤러 재료 | stkm | 358 | 300 | 360 | 50.4 | 2.9 | 63.6 | 2.7 | 1215 | 1645 | |
| 콩 | 6001ZZ · 6201Z | 458 | 400 | 460 | 48.0 | 3.1 | 65.4 | 2.4 | 911 | 2046 | |
| DB 샤프트 직경 | 12.0 | 558 | 500 | 560 | 48.0 | 3.4 | 69.8 | 2.4 | 725 | 2452 | |
| DC × DC × LC/라이너 크기 | 18 × 12.2 × 53 · 18 × 12.2 × 7 | 658 | 600 | 660 | 48.0 | 3.1 | 74.0 | 2.1 | 597 | 2.86 | |
| R 센터 | 2000 | 총 길이 | 롤러 너비 | 컨베이어의 WDE | 좁은 길 | 큰 직경 | 롤러 로딩 | 롤러의 무게 | |||
| 스프로켓 | #40 × 10TSW | (∅) | 두께 | (∅) | 두께 | ||||||
| W 롤러 너비 | 400 ~ 800 | 458 | 400 | 460 | 50.0 | 3.0 | 62.5 | 2.3 | 911 | 1990 | |
| 롤러 재료 | stkm | 558 | 500 | 560 | 50.0 | 3.0 | 65.6 | 2.2 | 725 | 2398 | |
| 콩 | 6001ZZ · 6201Z | 658 | 600 | 660 | 50.0 | 3.0 | 68.8 | 2.2 | 597 | 2797 | |
| DB 샤프트 직경 | 12.0 | 758 | 700 | 760 | 50.0 | 3.0 | 71.9 | 2.1 | 519 | 3210 | |
| DC × DC × LC/라이너 크기 | 18 × 12.2 × 53 · 18 × 12.2 × 7 | 858 | 800 | 860 | 50.0 | 3.0 | 75.0 | 2.0 | 450 | 3620 | |

R 센터 500 총 길이 롤러 너비 넓은 컨베이어 ...
| R 센터 | 500 | 총 길이 | 롤러 너비 | 넓은 컨베이어 | 좁은 길 | 큰 직경 | |
| 스프로켓 | #40 × 10TSW | (∅) | (∅) | ||||
| W 롤러 너비 | 300 ~ 700 | 328 | 300 | 330 | 42.7 | 60 | |
| 롤러 재료 | stkm | 428 | 400 | 430 | 42.7 | 65 | |
| 콩 | 6001ZZ · 6201Z | 528 | 500 | 530 | 42.7 | 75 | |
| DB 샤프트 직경 | 12.0 | 628 | 600 | 630 | 42.7 | 80 | |
| DC × DC × LC/라이너 크기 | 18 × 12.2 × 27 · 18 × 12.2 × 7 | 728 | 700 | 730 | 42.7 | 89 |
| R 센터 | 900 | 총 길이 | 롤러 너비 | 넓은 컨베이어 | 좁은 길 | 큰 직경 | |
| 스프로켓 | #40 × 10TSW | (∅) | (∅) | ||||
| W 롤러 너비 | 300 ~ 700 | 328 | 300 | 330 | 42.7 | 56 | |
| 롤러 재료 | stkm | 428 | 400 | 430 | 42.7 | 60 | |
| 콩 | 6001ZZ · 6201Z | 528 | 500 | 530 | 42.7 | 65 | |
| DB 샤프트 직경 | 12.0 | 628 | 600 | 630 | 42.7 | 70 | |
| DC × DC × LC/라이너 크기 | 18 × 12.2 × 27 · 18 × 12.2 × 7 | 728 | 700 | 730 | 42.7 | 75 |
| R 센터 | 900 | 총 길이 | 롤러 너비 | 넓은 컨베이어 | 좁은 길 | 큰 직경 | |
| 스프로켓 | #40 × 10TSW | (∅) | (∅) | ||||
| W 롤러 너비 | 800 ~ 1000 | 828 | 800 | 830 | 42.7 | 65 | |
| 롤러 재료 | stkm | 928 | 900 | 930 | 42.7 | 70 | |
| 콩 | 6001ZZ · 6201Z | 1028 | 1000 | 1030 | 42.7 | 75 | |
| DB 샤프트 직경 | 12.0 | ||||||
| DC × DC × LC/라이너 크기 | 18 × 12.2 × 27 · 18 × 12.2 × 7 |

유형 롤러 크기 롤러 너비 롤러 재료 베어링 샤프트 직경 ...
| 유형 | 롤러 크기 | 롤러 너비 | 롤러 재료 | 베어링 | 샤프트 직경 | 폴리 베 풀리 |
| DQR-3812 | 38.1 × 12 | 100 ~ 1000 | stkm | 6001zz | 12.0 | Q235 |
| DQRS-3815 | 38.1 × 1.5 | 100 ~ 1000 | SUS304/201 | 6001zz | 12.0 | Q235/SUS |
| DQR-5015 | 50.8 × 1.5 | 100 ~ 1000 | stkm | 6002ZZ | 12.0 | 수지 |
| DQRS-5015 | 50 × 1.5 | 100 ~ 1000 | SUS304/201 | 6002ZZ | 12.0 | 수지 |
| DQR-5721 | 57.2 × 2.1 | 100 ~ 1000 | stkm | 6001zz | 12.0 | Q235 |
| DQR-6023 | 60.5 × 2.3 | 100 ~ 1000 | stkm | 6002ZZ | 12.0 | Q235 |
| DQRS-6020 | 60 × 2.0 | 100 ~ 1000 | SUS304/201 | 6002ZZ | 12.0 | Q235/SUS/수지 |
| DQR-7620 | 76.3 × 2.0 | 100 ~ 1000 | stkm | 6001zz | 12.0 | Q235 |
| DQRS-7620 | 76 × 2.0 | 100 ~ 1000 | SUS304/201 | 6001zz | 12.0 | Q235/SUS |

유형 롤러 크기 롤러 너비 롤러 재료 베어링 샤프트 직경 ...
| 유형 | 롤러 크기 | 롤러 너비 | 롤러 재료 | 베어링 | 샤프트 직경 | vnbbed pully |
| VR-3812 | 38.1 × 1.2 | 100 ~ 1000 | stkm | 6001zz | 12.0 | Q235 |
| VRS-3815 | 38 × 1.5 | 100 ~ 1000 | SUS304/201 | 6001zz | 12.0 | Q235/SUS |
| VR-5015 | 50.8 × 1.5 | 100 ~ 1000 | stkm | 6001zz | 12.0 | Q235 |
| VRS-5015 | 50 × 1.5 | 100 ~ 1000 | SUS304/201 | 6001zz | 12.0 | Q235/SUS |
| VR-5721 | 57.2 × 2.1 | 100 ~ 1000 | stkm | 6001zz | 12.0 | Q235 |
| VR-6023 | 60.5 × 2.3 | 100 ~ 1000 | stkm | 6001zz | 12.0 | Q235 |
| VRS-6020 | 60 × 2.0 | 100 ~ 1000 | SUS304/201 | 6001zz | 12.0 | Q235/SUS |
| VR-7620 | 76.3 × 2.0 | 100 ~ 1000 | stkm | 6001zz | 12.0 | Q235 |
| VRS-7620 | 76 × 2.0 | 100 ~ 1000 | SUS304/201 | 6001zz | 12.0 | Q235/SUS |

유형 롤러 크기 롤러 너비 롤러 재료 샤프트 직경 베어링 ...
| 유형 | 롤러 크기 | 롤러 너비 | 롤러 재료 | 샤프트 직경 | 베어링 |
| OR-3812 | 38.1 × 1.2 | 100 ~ 1000 | stkm | 12.0 | 봄 여름 시즌 |
| ORS-3815 | 38.1 × 1.5 | 100 ~ 1000 | SUS304/201 | 12.0 | 봄 여름 시즌/SUS |
| OR-4214 | 42.7 × 1.4 | 100 ~ 1000 | stkm | 12.0 | 봄 여름 시즌 |
| OR-5015 | 50.8 × 1.5 | 100 ~ 1000 | stkm | 12.0 | 봄 여름 시즌 |
| ORS-5015 | 50 × 1.5 | 100 ~ 1000 | SUS304/201 | 12.0 | 봄 여름 시즌/수지 |
| OR-5721 | 57.2 × 2.1 | 100 ~ 1000 | stkm | 12.0 | SS |
| OR-6023 | 60.5 × 2.3 | 100 ~ 1000 | stkm | 12.0 | SS |
| ORS-6020 | 60 × 2.0 | 100 ~ 1000 | SUS304/201 | 12.0 | SS/RESIN |
롤러 컨베이어 유지보수가 시스템 수명에 직접적인 영향을 미치는 이유 롤러 컨베이어 시스템은 현대 자재 취급 작업의 중추이며, 시스템의 수명은 거의 전적으로 시스템을 얼마나 일관적으...
더 읽으십시오롤러 컨베이어가 진정한 내구성을 갖는 이유는 무엇입니까? 대형 롤러 컨베이어는 마케팅 주장이 아니라 측정 가능한 엔지니어링 표준(롤러당 부하 용량, 프레임 재질 등급, 베어링 유형 및 표면 처리)...
더 읽으십시오롤러 컨베이어란 무엇이며 유형이 중요한 이유는 무엇입니까? 롤러 컨베이어 롤러라고 불리는 일련의 회전 실린더를 사용하여 프레임에 장착되어 상품을 한 지점에서 다른 지점으로 이동시키...
더 읽으십시오롤러 컨베이어가 자재 취급의 중추로 남아 있는 이유 롤러 컨베이어 수작업을 줄이고, 처리 속도를 높이며, 제품 손상을 최소화하고, 자동화된 분류 및 포장 라인과의 원활한 통합을 통...
더 읽으십시오컨베이어 시스템 매일 수백만 톤의 자재를 공장, 창고, 광산 현장, 유통 센터로 이동하지만 이는 심각한 작업장 부상의 주요 원인이기도 합니다. 미국 노동통계국에 따르면, 컨베이어 ...
더 읽으십시오벨트 컨베이어 시스템의 주요 유형 개요 벨트 컨베이어 시스템은 설계 및 적용에 따라 여러 핵심 범주로 분류됩니다. 평 벨트 컨베이어, 트로프 벨트 컨베이어, 클리트 벨트...
더 읽으십시오플랫 벨트 컨베이어란 무엇이며 왜 중요한가요? 에이 평벨트 컨베이어 자재나 제품을 수평으로, 약간 경사지거나 경사지게 운반하기 위해 두 개 이상의 도르래 위로 ...
더 읽으십시오Wuxi Huiqian의 제품 장점 구동 롤러 : 높은 내구성 및 하중 베어링 용량
고급 일본 물류 기술의 통합으로 유명한 Wuxi Huiqian Logistics Machinery Manufacturing Co., Ltd는 재료 취급 산업의 혁신의 최전선에 서 있습니다. 이 회사는 구동 롤러 , 롤러 컨베이어 및 기타 다양한 중요한 구성 요소. 정밀도, 신뢰성 및 성능에 대한 동반으로 Wuxi Huiqian의 구동 롤러는 효율적이고 신뢰할 수있는 자재 취급 시스템에 의존하는 다양한 산업의 요구를 충족하도록 설계되었습니다.
구동 롤러는 많은 물류 및 제조 공정에서 중요한 역할을합니다. 크고 무거운 품목 또는 작은 패키지를 이동하든이 롤러는 워크 플로를 간소화하고 효율성을 높이는 자동화 된 시스템에 필수적입니다. 스프로킷 드라이브 롤러 및 테이퍼 드라이브 롤러를 포함한 Wuxi Huiqian의 구동 롤러는 다양한 운영 환경에서 내구성과 최적의 성능을 위해 설계되었습니다. 고급 재료, 최첨단 기술 및 사용자 정의 가능한 설계의 조합은이 롤러가 전 세계 산업에 선호되는 선택입니다.
Wuxi Huiqian 구동 롤러 까다로운 환경에서 무거운 하중과 지속적인 사용을 견딜 수 있도록 설계되었습니다. 롤러는 강철 및 스테인레스 스틸과 같은 고강도 재료를 사용하여 제작되므로 엄격한 조건에서도 오래 지속되는 성능을 보장합니다. 이러한 재료의 견고성은 롤러가 구조적 무결성을 손상시키지 않으면 서 경업 구성 요소에서 중장비 부품에 이르기까지 다양한 하중 용량을 처리 할 수 있도록 보장합니다.
특히 스프로킷 드라이브 롤러는 컨베이어 시스템이 까다로운 애플리케이션에서 컨베이어 시스템을 구동하는 데 필요한 토크를 견딜 수 있도록 내구성있는 고품질 강철로 제작되었습니다. 마찬가지로, 부드러운 작동을 용이하게하기 위해 각도로 설계된 테이퍼 드 구동 롤러는 또한 무거운 하중 조건에서 높은 강도와 안정성을 나타냅니다. 고급 재료 선택은 마모를 최소화하여 롤러의 연장 된 수명 동안 수행 할 수있는 능력을 향상시킵니다.
Wuxi Huiqian Driven Rollers의 주요 장점 중 하나는 특정 고객 요구 사항을 충족하기위한 다목적 성과 적응성입니다. Helm의 강력한 R & D 팀을 통해 회사는 고유 한 운영 요구에 맞는 맞춤형 솔루션을 개발할 수 있습니다. 구동 롤러는 광범위한 애플리케이션에 맞게 크기, 재료 및 기능 측면에서 조정할 수 있습니다. Wuxi Huiqian은 롤러 직경, 길이 또는 특수 코팅 추가에 관계없이 고객과 긴밀히 협력하여 제품이 정확한 사양과 일치하는지 확인합니다.
맞춤형 솔루션을 제공하는 기능은 이러한 구동 롤러가 자동차 제조, 식음료 생산, 창고, 물류 및 전자 상거래를 포함한 다양한 산업에 이상적입니다. 롤러는 다양한 유형의 컨베이어 시스템 및 생산 라인에 맞게 조정할 수 있으므로 모든 자재 처리 작업에서 다양한 구성 요소가됩니다.
Wuxi Huiqian은 높은 수준의 정밀 엔지니어링으로 유명하며, 이는 구동 롤러의 신뢰할 수있는 성능을 보장하는 데 중요합니다. 이 회사는 고급 CNC (컴퓨터 수치 제어) 기계를 사용하여 탁월한 정확도로 구동 롤러를 제조합니다. 이 정밀도는 롤러가 각 고유 한 응용 프로그램에 필요한 정확한 사양으로 생성되어 오작동 또는 비 효율성을 최소화합니다.
CNC 기계를 사용하면 롤러가 대량으로 일관되게 제조되어 높은 생산 표준을 유지하고 결함의 위험을 줄일 수 있습니다. 정밀도는 또한 Sprockets 및 Tapered 기능의 설계로 확장되어 이러한 중요한 구성 요소가 최종 어셈블리에서 원활하고 원활하게 작동하도록합니다.
Wuxi Huiqian 구동 롤러는 최소한의 유지 보수가 필요한 동시에 높은 운영 효율성을 제공하도록 설계되었습니다. 롤러는 마찰과 마모를 줄이기 위해 설계되어 유지 보수 작업의 빈도를 줄이고 장비의 서비스 수명을 연장합니다. 이 기능은 지속적인 운영이 필요하고 다운 타임을 최소화 해야하는 산업에서 특히 중요합니다.
스프로킷 드라이브 롤러는 연동 치아로 설계되어 미끄러짐을 줄이고 전력 전달을 향상시켜 컨베이어 시스템이 높은 하중 조건에서도 효율적으로 작동하도록합니다. 마찬가지로 테이퍼 드라이브 롤러는 컨베이어 벨트 또는 주변 구성 요소의 손상 위험을 최소화하여 시스템의 전반적인 신뢰성을 향상 시키도록 설계되었습니다.
Wuxi Huiqian의 구동 롤러의 유지 보수가 적은 설계는 유지 보수 요구와 예상치 못한 가동 중지 시간의 잠재력을 낮추어 운영 비용을 줄입니다. 또한이 회사는 포괄적 인 애프터 판매 서비스 시스템을 제공하여 모든 문제가 신속하게 해결되고 고객이 장비의 원활한 운영을 유지할 수 있도록합니다.
Wuxi Huiqian의 구동 롤러는 에너지 효율로 설계되었으며, 이는 자재 취급 시스템의 운영 비용을 줄이는 데 중요합니다. 롤러는 컨베이어 시스템을 구동하는 데 필요한 전력을 유지하면서 에너지 소비를 최소화하도록 설계되었습니다. 이러한 에너지 효율에 중점을두면 비즈니스의 전기 요금이 낮아서 전반적인 비용 절감 및 환경 지속 가능성에 기여합니다.
비즈니스가 환경 영향에 점점 더 관심을 갖고있는 시대에 Wuxi Huiqian의 구동 롤러의 에너지 효율적인 설계는 기업이 성능이나 신뢰성을 희생하지 않고 지속 가능하게 운영 할 수 있도록합니다.
스프로킷 드라이브 롤러는 컨베이어 시스템에서 가장 일반적으로 사용되는 유형의 구동 롤러 중 하나입니다. 이 롤러는 체인에 의해 구동되도록 설계되었으며 체인과 연락하는 스프로킷이 장착되어 매끄럽고 안정적인 작동을 보장합니다. 스프로킷 드라이브 롤러에 사용되는 재료는 일반적으로 고품질 강철 또는 스테인리스 스틸로, 강도, 내구성 및 체인 드라이브에 의해 생성 된 토크를 처리 할 수있는 능력으로 선택되었습니다.
Wuxi Huiqian의 스프로킷 드라이브 롤러는 정밀한 공차로 설계되어 스프로킷이 체인에 완벽하게 맞도록하여 미끄러짐을 최소화하고 전력 전송을 극대화합니다. 롤러는 또한 마모와 부식에 저항하여 수명을 높이고 유지 보수 요구를 줄이기 위해 취급됩니다. 고강도 재료를 사용하면 이러한 롤러가 무거운 하중을 처리 할 수 있으므로 제조, 포장 및 유통의 산업 응용 분야에 적합합니다.
테이퍼 드라이브 롤러는 콘 모양의 디자인을 특징으로하여 컨베이어 시스템에서 재료를 부드럽고 효율적으로 움직일 수 있습니다. 테이퍼는 재료가 컨베이어를 따라 부드럽게 안내되어 마찰을 줄이고 시스템의 전반적인 효율성을 향상시킵니다. 테이퍼 드 구동 롤러에 사용되는 재료는 일반적으로 스테인레스 스틸 또는 고강도 합금 강철로 마모 및 부식에 대한 탁월한 저항성을 제공하므로 식품 가공, 제약 및 중장기 사용을 포함한 다양한 환경에 적합합니다.
테이퍼 디자인은 또한 다양한 크기와 재료의 중량을 처리하는 롤러의 능력에 기여하여 이러한 롤러를 다양한 응용 분야에 적응할 수있게합니다. Wuxi Huiqian의 테이퍼 드라이브 롤러는 정밀하게 제조되어 테이퍼 각도가 모든 롤러에서 일관되도록하여 전체 컨베이어 시스템에서 균일 한 성능을 제공합니다.
구동 롤러 구조에 스테인레스 스틸과 합금강을 사용하면 가혹하거나 부식성이있는 환경에서 내구성을 보장합니다. 이 재료는 녹, 부식 및 마모에 매우 저항력이있어 롤러가 수분, 화학 물질 또는 기타 환경 문제에 노출되는 산업에 이상적입니다. 예를 들어, 위생이 우선 순위 인 식품 및 음료 산업은 스테인레스 스틸 구동 롤러의 부식 방지 특성의 혜택을받습니다.
재료의 부식 저항성 특성은 또한 시간이 지남에 따라 컨베이어 시스템의 무결성을 유지하여 비용이 많이 드는 수리를 방지하고 일관된 성능을 보장하는 데 도움이됩니다.
Sprocket Drive 및 Tapered Drive 모델을 포함한 Ltd의 구동 롤러 인 Wuxi Huiqian Logistics Machinery Manufacturing Co.는 내구성, 커스터마이즈, 정밀 엔지니어링 및 효율성 측면에서 상당한 이점을 제공합니다. 이 롤러는 강철 및 스테인리스 스틸과 같은 고품질 재료를 사용하여 자동차 제조에서 물류 및 식품 가공에 이르기까지 다양한 산업에 오래 지속되는 유지 보수 솔루션을 제공합니다. 까다로운 하중을 처리하고, 에너지 소비를 줄이고, 까다로운 환경에서 원활하게 작동하는 능력은 자재 취급 시스템을 최적화하려는 모든 비즈니스에 신뢰할 수있는 선택이됩니다 .







