HR-TC220
Cat:테이퍼 롤러 컨베이어
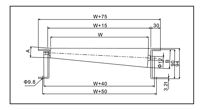
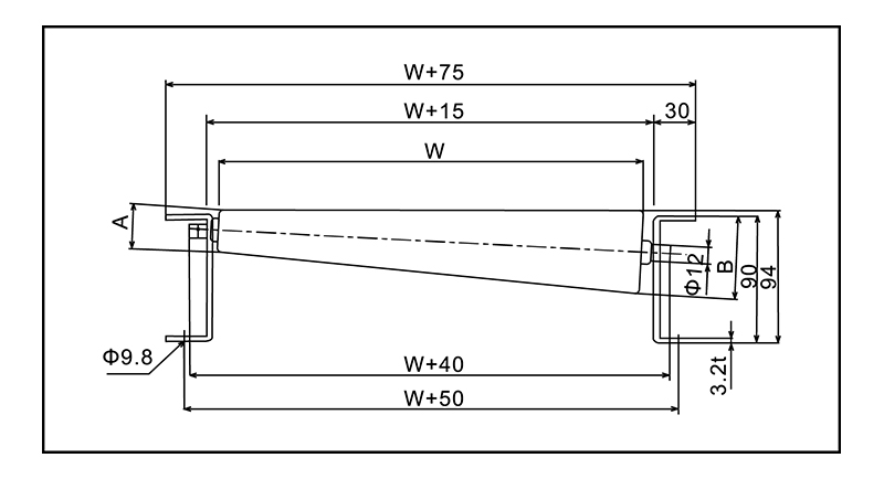
너비 W (MM) 200 A (φ) 지름 31.3 ...
곡선 롤러 컨베이어라고도하는 테이퍼 롤러 컨베이어는 30, 45, 60, 90 및 180 도의 회전 각도를 허용합니다. 주로 컨베이어 라인의 방향 변화에 사용되며, 컨베이어를 분기 및 병합에 자주 사용하는 30, 45 및 60도가 있습니다. 이 컨베이어는 일반적으로 200kg을 초과하지 않는 하중 용량의 경량 유형입니다.
| 아르 자형 | \ 너비를 입력하십시오 | 200 | 300 | 400 | 500 | 600 | 700 | 800 | 900 | 1000 | 1100 | 1200 | 롤러 피치 |
| 220 | HR-TC220 | ○ | - | - | - | - | - | - | - | - | - | - | 50,75,100 |
| 320 | HR-TC320 | - | ○ | - | - | - | - | - | - | - | - | - | 50,75,100 |
| 500 | HR-TC500A | - | ○ | ○ | ○ | ○ | ○ | - | - | - | - | - | 75 |
| 700 | HR-TC700 | ○ | ○ | ○ | ○ | ○ | - | - | - | - | - | - | 75,100,150 |
| 900 | HR-TCN | - | ○ | ○ | ○ | ○ | ○ | ○ | - | - | - | - | 75,100,150 |
| HR-TC900 | ○ | ○ | ○ | ○ | ○ | - | - | - | - | - | - | 75,100,150 | |
| HR-TC900A | - | ○ | ○ | ○ | ○ | ○ | ○ | - | - | - | - | 75,100 | |
| HR-TCL | - | - | - | - | - | - | - | ○ | ○ | ○ | ○ | 75,100,150,200 | |
| 1200 | HR-TC1200 | ○ | ○ | ○ | ○ | ○ | - | - | - | - | - | - | 75,100,150 |
| HR-TC1200A | - | - | - | - | - | - | ○ | ○ | ○ | ○ | ○ | 75.100 | |
| 1600 | HR-TC1600 | - | - | ○ | ○ | ○ | ○ | ○ | - | - | - | - | 75,100,150,200 |

너비 W (MM) 200 A (φ) 지름 31.3 ...
| 너비 W (MM) | 200 | |
| A (φ) | 지름 | 31.3 |
| 두께 | 3.5 | |
| B (φ) | 지름 | 60.5 |
| 두께 | 2.0 | |
| 롤러 로딩 (kg) | 100 | |

너비 W (MM) 300 A (φ) 지름 31.2 ...
| 너비 W (MM) | 300 | |
| A (φ) | 지름 | 31.2 |
| 두께 | 3.6 | |
| B (φ) | 지름 | 60.5 |
| 두께 | 2.1 | |
| 롤러 로딩 (kg) | 100 | |

너비 W (MM) 300 400 500 600 700 ...
| 너비 W (MM) | 300 | 400 | 500 | 600 | 700 | 800 | |
| A (φ) | 지름 | 42.7 | 42.7 | 42.7 | 42.7 | 42.7 | 42.7 |
| 두께 | 3.2 | 3.2 | 3.1 | 3.1 | 3.1 | 3.1 | |
| B (φ) | 지름 | 56.8 | 61.3 | 66.4 | 71.3 | 76.2 | 80.0 |
| 두께 | 2.1 | 2.1 | 2.1 | 2.1 | 2.0 | 2.0 | |
| 롤러 로딩 (kg) | 100 | 90 | 85 | 76 | 59 | 54 | |

너비 W (MM) 900 1000 1100 1200 ...
| 너비 W (MM) | 900 | 1000 | 1100 | 1200 | |
| A (φ) | 지름 | 42.7 | 42.7 | 42.7 | 42.7 |
| 두께 | 3.5 | 3.8 | 4.5 | 4.5 | |
| B (φ) | 지름 | 86.7 | 91.0 | 95.3 | 100.0 |
| 두께 | 2.0 | 1.8 | 2.0 | 1.8 | |
| 롤러 로딩 (kg) | 110 | 95 | 87 | 80 | |

너비 W (MM) 200 300 400 500 600 ...
| 너비 W (MM) | 200 | 300 | 400 | 500 | 600 | |
| A (φ) | 지름 | 41.3 | 41.3 | 41.3 | 41.3 | 41.3 |
| 두께 | 3.3 | 3.3 | 3.3 | 3.3 | 3.3 | |
| B (φ) | 지름 | 52.2 | 57.6 | 63.1 | 68.6 | 74.0 |
| 두께 | 2.5 | 2.4 | 2.4 | 2.3 | 2.3 | |

너비 W (MM) 200 300 400 500 600 ...
| 너비 W (MM) | 200 | 300 | 400 | 500 | 600 | |
| A (φ) | 지름 | 45.0 | 45.0 | 45.0 | 45.0 | 45.0 |
| 두께 | 3.2 | 3.2 | 3.2 | 3.2 | 3.2 | |
| B (φ) | 지름 | 54.9 | 59.9 | 64.9 | 69.8 | 74.8 |
| 두께 | 2.2 | 2.2 | 2.1 | 2.1 | 2.0 | |

너비 W (MM) 200 300 400 500 600 ...
| 너비 W (MM) | 200 | 300 | 400 | 500 | 600 | |
| A (φ) | 지름 | 48.0 | 48.0 | 48.0 | 48.0 | 48.0 |
| 두께 | 3.1 | 3.1 | 3.1 | 3.1 | 3.1 | |
| B (φ) | 지름 | 56.8 | 61.2 | 65.7 | 70.1 | 74.5 |
| 두께 | 2.3 | 2.3 | 2.2 | 2.2 | 2.1 | |

너비 W (MM) 400 500 600 700 800 ...
| 너비 W (MM) | 400 | 500 | 600 | 700 | 800 | |
| A (φ) | 지름 | 50.0 | 50.0 | 50.0 | 50.0 | 50.0 |
| 두께 | 3.0 | 3.0 | 3.0 | 3.0 | 3.0 | |
| B (φ) | 지름 | 63.0 | 66.3 | 69.5 | 72.8 | 76.0 |
| 두께 | 2.3 | 2.2 | 2.2 | 2.1 | 2.0 | |

너비 W (MM) 300 400 500 600 700 ...
| 너비 W (MM) | 300 | 400 | 500 | 600 | 700 | 800 | |
| A (φ) | 지름 | 42 | 42 | 42 | 42 | 42 | 42 |
| 두께 | 2 | 2 | 2 | 2 | 2 | 2 | |
| B (φ) | 지름 | 79 | 91 | 103 | 116 | 128 | 140 |
| 두께 | 20.5 | 26.5 | 32.5 | 39.0 | 45.0 | 51.0 | |

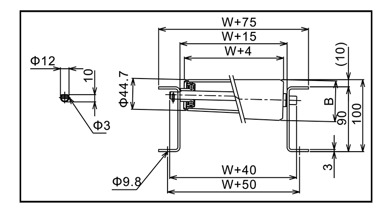
너비 W (MM) 200 300 400 500 600 ...
| 너비 W (MM) | 200 | 300 | 400 | 500 | 600 | 700 | |
| A (φ) | 지름 | 44.7 | 44.7 | 44.7 | 44.7 | 44.7 | 44.7 |
| 두께 | 3.5 | 3.5 | 3.5 | 3.5 | 3.5 | 3.5 | |
| B (φ) | 지름 | 54.6 | 59.6 | 64.5 | 69.5 | 74.4 | 75 |
| 두께 | 2.4 | 2.3 | 2.3 | 2.2 | 2.2 | 2.2 | |

유형 표시 엄격 내열 차가운 저항 오일 저항 ...
| 유형 | 표시 | 엄격 | 내열 | 차가운 저항 | 오일 저항 | 내마모성 | |||
| 천연 고무 | NR | 약 60 | 120C | -50 ° ℃ | 엑스 | 영형 | |||
| 딩 니트릴 고무 | NBR | 약 60 | 130c ° | -10 ° C | 영형 | 영형 | |||
| 폴리 우레탄 고무 | 푸 | 약 90 | 80C ° | -30 ° C | 영형 | 영형 | |||
| 천연 고무 | 딩 니트릴 고무 | 롤러 | 직경*두께*축 직경 | 롤러 너비 | |||||
| RR-4812P | RRG-4812P | R-3812p | 48*5*12 | 100 ~ 1500 | |||||
| RR-4816 | RRG-4816 | R-3816 | 48*5*12 | 100 ~ 1500 | |||||
| RR-6721p | RRG-6721p | R-5721p | 67*5*12 | 100 ~ 1500 | |||||

도금 유형 장점 도금 두께 전기 아연 도금 흰색 아연, 청색 흰색 아연, ...
| 도금 유형 | 장점 | 도금 두께 |
| 전기 아연 도금 | 흰색 아연, 청색 흰색 아연, 삼위 크롬 | 5 미크론 이상 |
| 하드 크롬 도금 | 높은 경도 | 3 Microns 이상 |
롤러 컨베이어 유지보수가 시스템 수명에 직접적인 영향을 미치는 이유 롤러 컨베이어 시스템은 현대 자재 취급 작업의 중추이며, 시스템의 수명은 거의 전적으로 시스템을 얼마나 일관적으...
더 읽으십시오롤러 컨베이어가 진정한 내구성을 갖는 이유는 무엇입니까? 대형 롤러 컨베이어는 마케팅 주장이 아니라 측정 가능한 엔지니어링 표준(롤러당 부하 용량, 프레임 재질 등급, 베어링 유형 및 표면 처리)...
더 읽으십시오롤러 컨베이어란 무엇이며 유형이 중요한 이유는 무엇입니까? 롤러 컨베이어 롤러라고 불리는 일련의 회전 실린더를 사용하여 프레임에 장착되어 상품을 한 지점에서 다른 지점으로 이동시키...
더 읽으십시오롤러 컨베이어가 자재 취급의 중추로 남아 있는 이유 롤러 컨베이어 수작업을 줄이고, 처리 속도를 높이며, 제품 손상을 최소화하고, 자동화된 분류 및 포장 라인과의 원활한 통합을 통...
더 읽으십시오컨베이어 시스템 매일 수백만 톤의 자재를 공장, 창고, 광산 현장, 유통 센터로 이동하지만 이는 심각한 작업장 부상의 주요 원인이기도 합니다. 미국 노동통계국에 따르면, 컨베이어 ...
더 읽으십시오벨트 컨베이어 시스템의 주요 유형 개요 벨트 컨베이어 시스템은 설계 및 적용에 따라 여러 핵심 범주로 분류됩니다. 평 벨트 컨베이어, 트로프 벨트 컨베이어, 클리트 벨트...
더 읽으십시오플랫 벨트 컨베이어란 무엇이며 왜 중요한가요? 에이 평벨트 컨베이어 자재나 제품을 수평으로, 약간 경사지거나 경사지게 운반하기 위해 두 개 이상의 도르래 위로 ...
더 읽으십시오






