W-1225BS
Cat:절단 휠 컨베이어
유형 d*w*d*b 샤프트 프레임 크기 시간*W1*W2*W3*T. 키...
금속 유창한 휠 컨베이어는 유창한 바의 금속 재료 유창한 휠 어셈블리이며, 휠은 일반적으로 스탬핑 및 절단으로 만들어졌으며, 재료는 강연, 스테인리스 스틸, 크롬 도금 및 기타 옵션입니다. 프레임 재료는 일반적으로 강철 아연 도금, 스틸 스프레이, 알루미늄, 스테인리스 스틸로 나뉩니다 .

유형 d*w*d*b 샤프트 프레임 크기 시간*W1*W2*W3*T. 키...
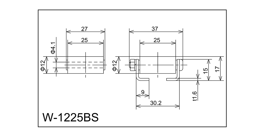
| 유형 | d*w*d*b | 샤프트 | 프레임 크기 시간*W1*W2*W3*T. | 키 H | 길이 엘 | 휠 피치 피 | 단일 휠 로딩 (kg) | 프레임 유형 |
| W-1225BS | 12x25x4.1x27 | M4X35L | 15x30.2x9x37x1.6 | 17 | 1000 · 1500 · 2000 | 14 | 35 | A |

유형 d*w*d*b 샤프트 프레임 크기 시간*W1*W2*W3*T. 키...
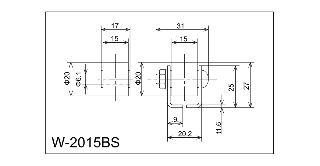
| 유형 | d*w*d*b | 샤프트 | 프레임 크기 시간*W1*W2*W3*T. | 키 H | 길이 엘 | 휠 피치 피 | 단일 휠 로딩 (kg) | 프레임 유형 |
| W-2015bs | 20x15x6.1x17 | M6x27L | 25x20.2x9x31x1.6 | 27 | 1000 · 1500 · 2000 | 25 · 30 · 35 | 30 | A |

유형 d*w*d*b 샤프트 프레임 크기 시간*W1*W2*W3*T. 키...
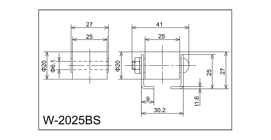
| 유형 | d*w*d*b | 샤프트 | 프레임 크기 시간*W1*W2*W3*T. | 키 H | 길이 엘 | 휠 피치 피 | 단일 휠 로딩 (kg) | 프레임 유형 |
| W-2025BS | 20x25x6.1x27 | M6X37L | 25x30.2x9x41x1.6 | 27 | 1000 · 1500 · 2000 | 25 · 30 · 35 | 40 | A |

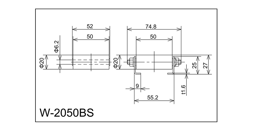
유형 d*w*d*b 샤프트 프레임 크기 시간*W1*W2*W3*T. 키...
| 유형 | d*w*d*b | 샤프트 | 프레임 크기 시간*W1*W2*W3*T. | 키 H | 길이 엘 | 휠 피치 피 | 단일 휠 로딩 (kg) | 프레임 유형 |
| W-2050B | 20x50x6.2x52 | M6x65L | 25x55.2x9x74.8x1.6 | 27 | 1000 · 1500 · 2000 | 25 · 30 · 35 | 50 | A |

유형 d*w*d*b 샤프트 프레임 크기 시간*W1*W2*W3*T. 키...
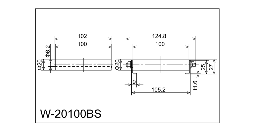
| 유형 | d*w*d*b | 샤프트 | 프레임 크기 시간*W1*W2*W3*T. | 키 H | 길이 엘 | 휠 피치 피 | 단일 휠 로딩 (kg) | 프레임 유형 |
| W-20100BS | 20x100x6.2x102 | M6x115L | 25x105.2x9x124.8x1.6 | 27 | 1000 · 1500 · 2000 | 25 · 30 · 35 | 50 | A |

유형 d*w*d*b 샤프트 프레임 크기 시간*W1*W2*W3*T. 키...
| 유형 | d*w*d*b | 샤프트 | 프레임 크기 시간*W1*W2*W3*T. | 키 H | 길이 엘 | 휠 피치 피 | 단일 휠 로딩 (kg) | 프레임 유형 |
| W-25B | 25x9x6.2x16 | M6x27L | 25x19.2x9x31x1.6 | 29.5 | 1000 · 1500 · 2000 | 30 · 35 | 30 | A |

유형 d*w*d*b 샤프트 프레임 크기 시간*W1*W2*W3*T. 키...
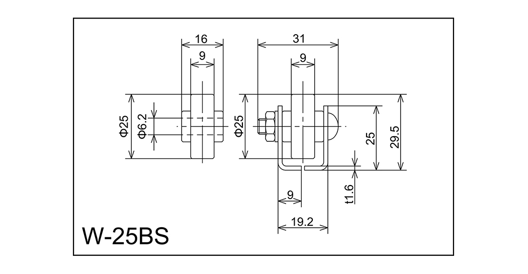
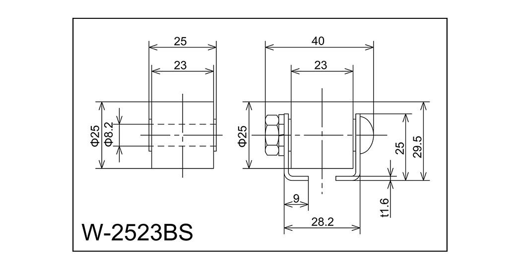
| 유형 | d*w*d*b | 샤프트 | 프레임 크기 시간*W1*W2*W3*T. | 키 H | 길이 엘 | 휠 피치 피 | 단일 휠 로딩 (kg) | 프레임 유형 |
| W-2523BS | 25x23x8.2x25 | M8X35L | 25x28.2x9x40x1.6 | 29.5 | 1000 · 1500 · 2000 | 30-35 | 50 | A |

유형 d*w*d*b 샤프트 프레임 크기 시간*W1*W2*W3*T. 키...
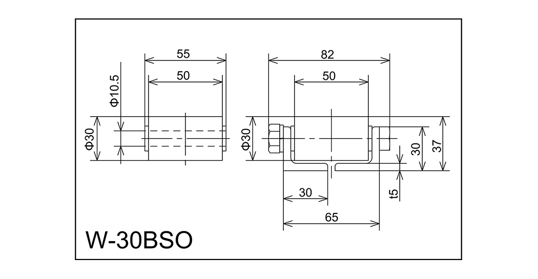
| 유형 | d*w*d*b | 샤프트 | 프레임 크기 시간*W1*W2*W3*T. | 키 H | 길이 엘 | 휠 피치 피 | 단일 휠 로딩 (kg) | 프레임 유형 |
| W-30BSO | 30x50x10.5x55 | M10x75L | 30x65x30x82x5 | 37 | 1000 · 2000 · 3000 | 35 · 50 | 160 | N |

유형 d*w*d*b 샤프트 프레임 크기 시간*W1*W2*W3*T. 키...
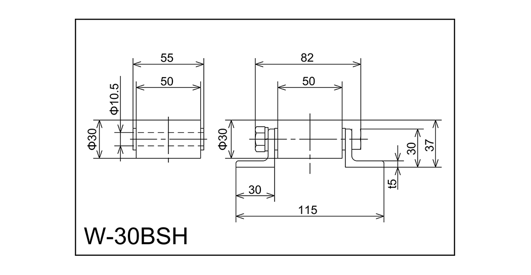
| 유형 | d*w*d*b | 샤프트 | 프레임 크기 시간*W1*W2*W3*T. | 키 H | 길이 엘 | 휠 피치 피 | 단일 휠 로딩 (kg) | 프레임 유형 |
| W-30BSH | 30x50x10.5x55 | M10x75L | 30x115x30x82x5 | 37 | 1000 · 2000 · 3000 | 35 · 50 | 160 | L |

유형 d*w*d*b 샤프트 프레임 크기 시간*W1*W2*W3*T. 키...
| 유형 | d*w*d*b | 샤프트 | 프레임 크기 시간*W1*W2*W3*T. | 키 H | 길이 엘 | 휠 피치 피 | 단일 휠 로딩 (kg) | 프레임 유형 |
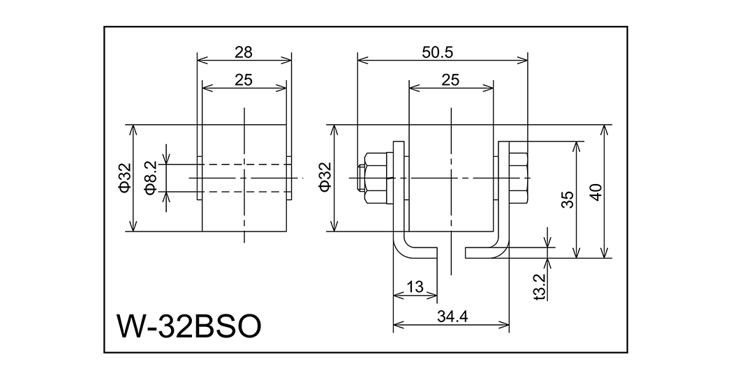
| W-32BSO | 32x25x8.2x28 | M8x45L | 35x34.4x13x50.5x3.2 | 40 | 1000 · 2000 · 3000 | 40 · 70 · 100 | 90 | A |

유형 d*w*d*b 샤프트 프레임 크기 시간*W1*W2*W3*T. 키...
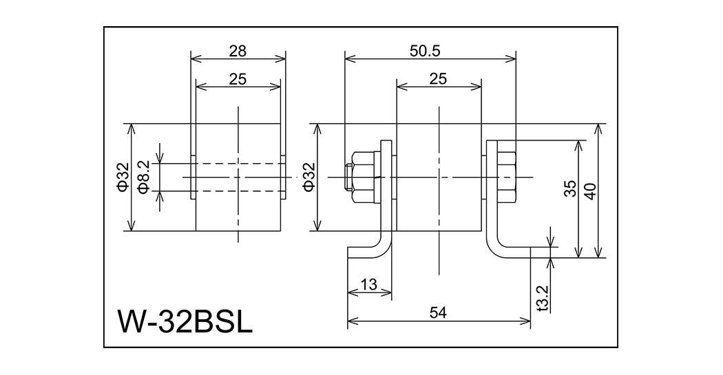
| 유형 | d*w*d*b | 샤프트 | 프레임 크기 시간*W1*W2*W3*T. | 키 H | 길이 엘 | 휠 피치 피 | 단일 휠 로딩 (kg) | 프레임 유형 |
| W-32BSL | 32x25x8.2x28 | M8x45L | 35x54x13x50.5x3.2 | 40 | 1000 · 2000 · 3000 | 40 · 70 · 100 | 90 | C |

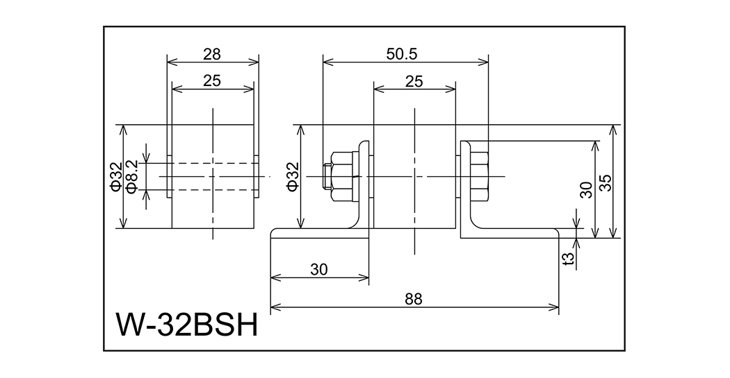
유형 d*w*d*b 샤프트 프레임 크기 시간*W1*W2*W3*T. 키...
| 유형 | d*w*d*b | 샤프트 | 프레임 크기 시간*W1*W2*W3*T. | 키 H | 길이 엘 | 휠 피치 피 | 단일 휠 로딩 (kg) | 프레임 유형 |
| W-32BSH | 32x25x8.2x28 | M8x45L | 30x88x30x50.5x3.0 | 35 | 1000 · 2000 · 3000 | 40 · 70 · 100 | 90 | L |
롤러 컨베이어 유지보수가 시스템 수명에 직접적인 영향을 미치는 이유 롤러 컨베이어 시스템은 현대 자재 취급 작업의 중추이며, 시스템의 수명은 거의 전적으로 시스템을 얼마나 일관적으...
더 읽으십시오롤러 컨베이어가 진정한 내구성을 갖는 이유는 무엇입니까? 대형 롤러 컨베이어는 마케팅 주장이 아니라 측정 가능한 엔지니어링 표준(롤러당 부하 용량, 프레임 재질 등급, 베어링 유형 및 표면 처리)...
더 읽으십시오롤러 컨베이어란 무엇이며 유형이 중요한 이유는 무엇입니까? 롤러 컨베이어 롤러라고 불리는 일련의 회전 실린더를 사용하여 프레임에 장착되어 상품을 한 지점에서 다른 지점으로 이동시키...
더 읽으십시오롤러 컨베이어가 자재 취급의 중추로 남아 있는 이유 롤러 컨베이어 수작업을 줄이고, 처리 속도를 높이며, 제품 손상을 최소화하고, 자동화된 분류 및 포장 라인과의 원활한 통합을 통...
더 읽으십시오컨베이어 시스템 매일 수백만 톤의 자재를 공장, 창고, 광산 현장, 유통 센터로 이동하지만 이는 심각한 작업장 부상의 주요 원인이기도 합니다. 미국 노동통계국에 따르면, 컨베이어 ...
더 읽으십시오벨트 컨베이어 시스템의 주요 유형 개요 벨트 컨베이어 시스템은 설계 및 적용에 따라 여러 핵심 범주로 분류됩니다. 평 벨트 컨베이어, 트로프 벨트 컨베이어, 클리트 벨트...
더 읽으십시오플랫 벨트 컨베이어란 무엇이며 왜 중요한가요? 에이 평벨트 컨베이어 자재나 제품을 수평으로, 약간 경사지거나 경사지게 운반하기 위해 두 개 이상의 도르래 위로 ...
더 읽으십시오






